一、簡介:
KR-MRT系列靜止扭矩傳感器兩端法蘭,由于出色的穩定性、較高的測量精度和較高的性價和簡單的監控方式比而受到用戶的贊譽。傳感器的測量彈性體不參與相對運動,測試彈性體受的是相對反作用力,安裝時是一端固定,另一端受力。
二、基本原理:
扭矩的測量:采用應變片電測技術,在彈性軸上組成應變橋,向應變橋提供電源即可測得該彈性軸受扭的電信號。將該應變信號放大后,經過壓/頻轉換,變成與扭應變成正比的頻率信號。或者直接輸出標準4~20mA電流信號及1~5V電壓信號。
測量原理如圖1所示:

三、產品特點:
1、適用于檢測非旋轉體的扭矩值.偏轉角度為≯360度。
2、開機即可進入工作狀態,勿需預熱過程。
3、檢測精度高、穩定性好、抗干擾性強。
4、不需反復調零即可連續測量正反扭矩。
5、體積小、重量輕、易于安裝。
6、傳感器可脫離二次儀表獨立使用,只要按插座針號提供+24V電源即可輸出阻抗與扭矩成正比的電流、電壓或頻率信號。
四、技術參數:
測量范圍: 0~0.1、 0.2、0.5、1、2、3、5、10N.m
頻率響應: 100μs
供電電壓: 12~24VDC
輸出信號: 1.0~2.0 mV/V、4~20mA、0~5/10V、5~15KHz
靜態超載: 120%
扭矩精度: <±0.5 % F? S、<±0.25 % F? S、<±0.1 % F? S(可選)
非 線 性: <±0.2 % F? S
重 復 性: <±0.1% F? S
回 差: <0.1 % F? S
零點時漂: <0.2 % F? S
零點溫飄: <0.2 % F? S /10℃
使用溫度: -10 ~ 50℃
儲存溫度: -20 ~ 70℃
消耗電流: <150mA
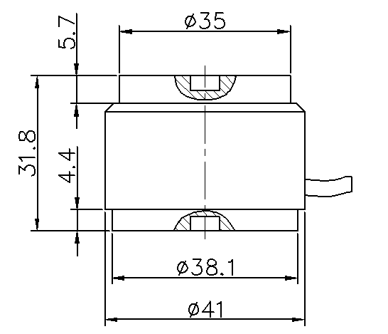
五、外形尺寸

六、電氣連接
扭矩傳感器用一個航空接頭(X12K5P)與外部設備連接,插座端固定在機殼上。
電纜線顏色定義:
1、電流輸出型:紅色:12-24VDC 黑色:地

2線制4-20mA接線示意圖
2、電壓輸出型:紅色:12-24VDC 黑色:地 黃(白):信號輸出
3、頻率輸出型:紅色:12-24VDC 黑色:地 黃(白):信號輸出

全國服務熱線




